| 
			
					 
					
					
					 
					
					
					petrophysiCS and the Mining industry 
					
					
					For this article, we are expanding the definition of 
					petrophysics to include the exploration methods performed on 
					or near the surface to locate potential ore bodies, using 
					all the physical principles we remember from our oil field 
					well logging experience. Another article covering borehole 
					logging in the mining environment is located 
					HERE. 
					 
					But first, a little background to set the stage. A 2023 
					International Energy Agency (IEA), stated that “to reach 
					net-zero emissions by 2050, we need to be producing SIX 
					times the current global output of minerals just to build 
					the turbines, transmission lines, batteries, and other items 
					essential for low-carbon energy infrastructure. Instead, we 
					are mining less than we did in 2019. A 2020 Pan-Canadian 
					Geoscience Strategy report suggested that “a strategy was 
					needed to develop next generation geoscience knowledge and 
					tools to efficiently target higher-grade or deeper deposits, 
					with the ultimate goal being a mine of the future that 
					produces zero waste”.    
					 
					Zero waste may be a bit of a stretch. Regardless, new mines 
					are urgently needed and we already have the tools, and the 
					petrophysicists and other geoscientists to use them. There 
					are a surprising number of tools and analysis techniques 
					available. No single one is a “magic-bullet, although some 
					combinations may come close. 
					 
					The first Secret to Success is to choose the appropriate 
					tools and integrate the results to gain the best possible 
					understanding of the potential ore body. The second is to 
					combine the talents of both mining and 
					petroleum geoscientists to encourage collaborative and 
					innovative solutions to the search for critical minerals. 
					 
					The “Petro” in Petrophysics means 
					“rock”, not “petroleum”! The right kind of rock is what 
					mining engineers, management, and shareholders are looking 
					for. It is time to integrate all our petrophysical / 
					geoscience skills to find those deeper prospects we know 
					must be out there. Our World depends on our success. 
					
					
					 
					
					
					 
					
					SOME 
					MINING BASICS 
					
					
					Many metals are found in the form of massive sulphide ore 
					bodies on or below the surface of the Earth. A massive 
					sulphide deposit is defined as an accumulation of sulphide 
					minerals which are normally composed of at least 40% to 100% 
					sulphide minerals, bounded on all sides by rock with little 
					or no sulphide minerals. Many deposits have a substantial 
					component of vein-like sulphide mineralization, called the 
					stringer zone, mainly in the footwall strata.  A typical ore 
					body is 1 to 5 million tonnes of rock. Massive sulphides can 
					be hosted in volcanic or sedimentary rocks. 
					 
					The main sulphide minerals are: 
					   iron pyrite FeS2 (fool's gold),  
					   pyrrhotite Fe(1-x)S (x=0 to 0.2),  
					   troilite (magnetic pyrite) (Zn,Fe)S,  
					   galena (PbS), and  
					   chalcopyrite (Cu,Fe)S2.  
					 
					Many mines produce more than one base metal and often one or 
					more precious metal, like silver and gold. Some more exotic 
					minerals can be found in the tailings of older mines. 
					 
					A sulphide ore body may be found with multiple layers or 
					lenses, and are denser and more conductive than the 
					surrounding rock. These properties lead to numerous surface 
					and borehole geophysical techniques that can be used to 
					locate, and to some degree, quantify sulphide deposits. Core 
					assay data is the main measure of ore grade, and grade 
					thickness maps are the usual method of visualization; 3-D 
					display software is also common. 
					 
					Many existing mines are shallow, and as these are depleted, 
					deeper exploration is now required. Some older mines can be 
					expanded to previously unknown deeper zones using modern 
					exploration methods. The Kidd Creek mine in Timmins, Ontario 
					is the largest massive sulphide deposit in the World, and 
					also the deepest at 2900+ m. produces zinc, copper, and 
					silver.  
					 
					Gangue (pronounced “ɡćŋ” or “gang”) is the commercially 
					worthless material that surrounds, or is closely mixed with, 
					a wanted mineral in an ore deposit. It is distinct from 
					overburden (waste rock or soil) displaced during mining, 
					without being processed, and from tailings, which is rock 
					already stripped of valuable minerals by some form of ore 
					processing technique. 
					 
					The separation of valuable minerals from gangue minerals is 
					known as mineral processing, mineral dressing, or ore 
					dressing. It is a necessary, and often significant, aspect 
					of mining. It can be a complicated process, depending on the 
					nature of the minerals involved.  
					 
					
					
					 
					
					
					Seismic acquisition for mining applications 
					
					
					While the petroleum industry used seismic as its primary 
					exploration tool for a hundred years, it wasn’t until 1993 
					that Geological Survey of Canada began applying acoustic 
					technology to mineral exploration.  Seismic had been viewed 
					as too expensive, the terrain too challenging, and the 
					coupling of the receivers to hard ground too uncertain to 
					merit serious consideration. However, with the depletion of 
					near surface ore bodies, these objections needed 
					re-evaluation.  The burning question was, is the acoustic 
					impedance between ore body and host rock large enough to 
					generate a reflection?   
			
			
			Data was collected in various mining locales, including mineral 
			samples from various deposits for lab analysis, followed by the 
			acquisition of well logs, offset VSP surveys and eventually 2D 
			multi-channel seismic surveys.  Special care was taken to adjust for 
			pressure differences between lab and subsurface, and to determine if 
			the high frequency, short propagation paths characteristic of 
			logging data could match the lower frequencies in a seismic survey. 
			The results were promising, and acoustic data is now used to map 
			lithologies, detect ore bodies, and find permeable zones (such as 
			sulphide mineralization controlled by fluid flow through faults), 
			using full waveform acoustic logs to help interpret seismic 
			reflections.  
			 
			Vertical seismic profiles should also be considered as they “see” 
			below the bottom of the borehole and a considerable distance beside 
			the hole. A density log is also recommended to allow more accurate 
			calculation of acoustic impedance for seismic modeling and 
			tomography.  
			
			
			 
			
					
					 
					
			
			POTENTIAL FIELD METHODS 
			
			
			Surface seismic surveys rely on acoustic 
			impedance (density times seismic velocity) contrasts across a 
			geologic boundary. Other surface methods are employed which exploit 
			changes in rock density or naturally occurring geomagnetic waves.  
			These methods tend to cover large areas and have poor resolution; 
			despite these downsides, they are most effective when used in 
			conjunction with seismic.  While seismic detects near-horizontal 
			rock boundaries, gravity and magnetics are better for steep 
			discontinuities such as faults. 
			
			
			 
			
					
					 
					
			
			Gravity Field Mapping and DATA Processing 
			
			
			These surveys, which locate anomalous rock density, can be acquired 
			on land or water and tend to be popular in frontier areas. The main 
			purpose of a gravity survey is to define lithology, structure, and 
			potential ore bodies.  These methods have benefited from the 
			widespread use of GPS; GPS antenna can be placed on receivers and 
			transmitters in airborne systems. Gravity surveys have been used 
			with magneto-telluric (MT) surveys and magnetics to map basalt 
			covered sediments (10). 
			
			
			 
			Corrections for station elevation, surrounding terrain elevation 
			(using digital surface maps and digital Hammer Charts, and Bouguer 
			Anomaly are required. Subtraction of 3rd order regional 
			surface from corrected data set will give contour map of the Bouguer 
			gravity anomaly, which can be used to plan next steps in the 
			exploration program. (11) 
			
			
			  
			
			
			  
			
			
			
			  
			 Horizontal-gradient magnetic map of Alberta showing 
			lineaments (white lines). Lyatsky et al., 2005. 
			
			
			
			  
			
					
					 
					
			
			Magneto-tellurics (MT) 
			
			
			This passive geophysical method measures the naturally occurring 
			electromagnetic waves generated by solar wind and lightning above 
			the earth to image the subsurface in terms of resistivity. MT is 
			used in remote areas as a lower cost alternative to seismic. 
			(14)  
			 
			Surface receivers record horizontally and mutually orthogonal 2 
			components of electric and 3 components of the magnetic fields.  The 
			variation and amplitude of the signals are interpreted using the 
			magneto telluric impedance, Z.  This method has been used since the 
			1950s. In recent time it is being used to explore for and monitor 
			geothermal fields. (13) In 2018, the US began to compile 
			an open-source repository of these data.  
			 
			Surface receivers record horizontally and mutually orthogonal 2 
			components of electric and 3 components of the magnetic fields.  The 
			variation and amplitude of the signals are interpreted using the 
			magneto telluric impedance, Z.  This method has been used since the 
			1950s. In recent time it is being used to explore for and monitor 
			geothermal fields. (13) In 2018, the US began to compile 
			an open-source repository of these data.  
			
			
			  
			
			
			  
			
			
			
			  
			Magneto-telluric site in Oregon 
			
			a magneto-telluric system is connected to a magnetometer and two 
			sets of electrodes to collect magnetic and electric field data. 
			
			
			
			  
			
					
					
			 
					
			
			Subsurface Resistivity Mapping 
			
			
			Subsurface resistivity measurements are made using electrodes 
			planted in the ground and a power source. Different electrode arrays 
			vary, with a dozen or so well documented arrangements. Electrode 
			arrays were developed in order to make field measurements more 
			efficient and data interpretation easier.  
			
			
			 
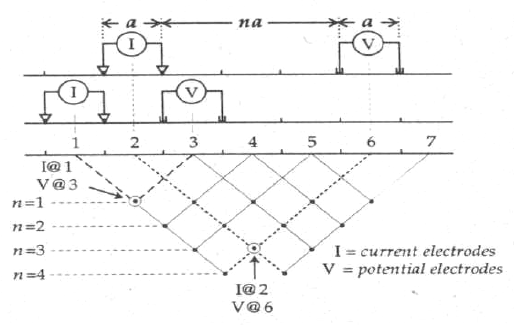
			Schlumberger Array 
			This subsurface geophysical exploration method using induced 
			electrical current was developed by Conrad Schlumberger in the early 
			1900s. He used direct current (DC), but the polarity was reversed at 
			a rate that prevented charge buildup in the earth. Two current 
			electrodes were driven into the ground some 50 to 200 meters apart. 
			Two measure electrodes were placed symmetrically between and inline 
			with the current electrodes, some distance away from the current 
			electrodes to prevent “edge effects”. The voltage measured was 
			inversely proportional to the resistivity of the ground between the 
			measure electrodes. The depth of penetration of the measurement 
			increased with increased electrode spacing, so multiple spacings 
			were run to obtain a “3-D” image of the resistivity. 
			
			
			  
			
			
			In sediments, low values could mean aquifers or clay/shale beds; 
			higher values suggested hydrocarbons or tight rock. In hard-rock 
			country, low resistivity suggested massive sulphides or metallic 
			minerals. Other uses include clay alteration around hydrothermal 
			zones, lithology and structural controls on mineralization. 
			Successful interpretation was not guaranteed.  
			
			Awareness of this uncertainty led to more recent work where ERT 
			(Electrical Resistivity Tomography) is acquired with IP survey data 
			to successfully image galena veins within a granitic host rock, 
			beneath a sedimentary cover layer. (4) 
			
			
			  
			
			
			  
			
			
			
			  
			Combined data from ERT survey (A) and IP model (B) to 
			detect narrow galena veins in granite.  Model A clearly 
			distinguishes the sedimentary cover from the granite; IP anomalies 
			show the veins. (4) 
			
			
			
			  
			
			
			
			Mise-a-la-Masse Array (MALM) 
			
			
			Loosely translated from French, Mise-a-la-Masse 
			
			means “charged body”. This method was very popular in 
			the 1920s and 1930s for searching out ore bodies.
			This technique is unique to mining; its 
			purpose is to demarcate highly conductive masses such as sulphides 
			and contaminant plumes. 
			 
			This method is still in use today.  Mise-a-la-Masse is unique 
			because the conductive mass being examined is itself used as one 
			current electrode, with a second current electrode placed 5-10 times 
			distant from the size of the conductive volume being investigated.  
			Current is injected across the current electrodes and the potential 
			voltage distribution radiating outwards from the injection borehole 
			gives an idea of the shape and volume of the mass. (5) 
			
			
			  
			
			
			
			  
			The left side of the diagram shows current potential 
			lines in a homogeneous material; to the right, equipotential lines 
			are distorted by a conductive ore body, which pushes the lines away, 
			roughly delineating the ore mass. (5) 
			
			
			
			  
			
					
					
			 
					
			
			Induced Polarization Methods (IP) 
			
			Induced polarization (IP), is an electromagnetic method in 
			widespread use in the mining industry. It is a method to image the 
			conductivity and chargeability of porous rocks.  It is most commonly 
			used to delineate disseminated and massive sulphides within a host 
			rock.  
			
			
			 
			For a 2 or 3D output, a Wenner-Schlumberger configuration selects 
			combinations of electrodes in groups of four (two current electrodes 
			and a pair of non-polarizable potential electrodes) applied on the 
			ground.  Apparent chargeability and resistivity are recorded by each 
			electrode and the measurement assigned to a geometric depth in the 
			ground. (4) 
			
			
			  
			
			
			  
			
			
			
			  
			Simplified acquisition scheme for apparent chargeability 
			and resistivity. (4) 
			
			
			  
			
			
			When a charging current is turned off, the voltage decays over a 
			finite time (discharging) back to zero.  When the current is turned 
			on, voltage builds up over a finite time to a maximum applied 
			value.  The current is, for a time, stored in the ground 
			(capacitance), causing some material to become polarized. This 
			phenomenon is called induced polarization.  Chargeability is 
			affected by grain size, mineral type, mobility of ions in pore 
			fluid, interactions between solid surfaces and fluids (such as clay 
			particles in the fluid), and surface area of the material.  For 
			example, illite, a clay, which has a much greater surface area than 
			sandstone, tends to hold a charge, whereas the latter (a possible 
			host rock) does not.  IP surveys are useful in hydrogeology, to 
			isolate saline water from clay, which both have low resistivity. 
			
			
			 
			Chargeability can be measured in the time domain, calculated as the 
			normalized area underneath the decay curve indicated in figure 5d 
			below.  The data are inverted, resulting in a resistivity model 
			which quantifies the rock above the deposit and a chargeability 
			model which images the deposit itself. Chargeability can be measured 
			in both frequency and phase domains. 
			
			
			(7) 
			In the latter, the data is solved for MF, or metal factor, in 
			Siemens per meter (S/m). (6) 
			
			
			  
			
			
			  
			
			
			
			  
			Induced Polarization in time domain showing a) on/off time 
			increments of inducing current, b) measured potential, c) overvoltage delay and d) calculation of apparent chargeability. 
			(6) 
			
			
			  
			
			
			Multiple logs must be run for a definitive result. For example, 
			disseminated sulphides, which gold deposits could be associated with, 
			can be resistive or conductive, plus resistivity can appear lower 
			due to either the presence of clays or ore minerals. There is a 
			large range in chargeability between different materials, from 0 
			msec for groundwater, up to 30 msec in a Precambrian Gneiss.  For 
			specific minerals, chargeability is dependent on the concentration 
			within the host rock.  There is a large spread of possible values, 
			ranging from 13.4 msec in a 1% sample concentration of pyrite, down 
			to 2.2 msec in a similar concentration of magnetite. 
			
			
			 
			This anomalously high chargeability of pyrite has sparked a novel 
			use for IP in hydrocarbon exploration.  Minor amounts of hydrocarbon 
			leaking through the top seal of a deeper hydrocarbon trap can form a 
			pyrite rich alteration zone.  These halo-shaped zones can be 
			identified as anomalies with an IP survey, helping to reduce 
			drilling costs. (8) 
			
			
			  
			
					
					
			 
					
			
			aeromagnetic Methods (EM, TEM) 
			
			
			These surveys can be acquired by aircraft flying a track or grid 
			pattern at relatively low altitude, or on the ground. They measure 
			spatial variations in Earth’s magnetic field over the surveyed area, 
			which are usually related to mineralogy. 
			
			
			The main objective of an aeromag survey is direct detection of iron 
			ore, subsurface lithology, and structure, as well as the extent of 
			permissive terranes (areas 
			that can contain a certain type of mineral occurrence or ore 
			deposit).
			
			It can be 
			used to identify hazardous material from nickel/copper or asbestos 
			in serpentine. Like IP, TEM has been used to map geochemical 
			anomalies and oil-water contacts in shallow hydrocarbon reservoirs - 
			a lot of this investigation has been done in Russia.  (10)
			 
			
			
			 
			Like IP, the data can be represented in the time domain (TEM:  
			Transient ElectroMagnetic), or the frequency domain (EM).  In the 
			frequency domain, a current is transmitted continuously as a single 
			frequency, which works well for shallow targets.  
			
			
			 
			For helicopter conveyed TEM, the transmitter coil is fixed to a 
			rigid frame suspended beneath a helicopter, with a receiver 
			positioned centrally within the frame. A DC current is run through 
			the transmitter, then rapidly switched off, generating a square 
			wave.  This in turn generates a time-varying magnetic field in the 
			subsurface which instigates eddy currents.  These currents cause the 
			onset of a secondary magnetic field.  The receiver coil measures 
			this secondary field’s strength and temporal response, and data is 
			displayed as time/magnitude decay curves. The resultant time 
			amplitude data is inverted to arrive at a resistivity image of the 
			subsurface. 
			
			
			 
			When deployed by a fixed wing airplane, the receiver, or bird, is 
			towed behind in an offset configuration.  A ground-based system has 
			a similar transmitter/receiver arrangement as the helicopter, 
			providing information about the ground directly beneath the loops. 
			
			
			  
			
			
			
			  
			TEM system waveforms:  2a) transmitter current, 2b) the 
			induced electromotive force, 2c) the secondary current and magnetic 
			field. 
			
			
			  
			
			
			Aeromag requires data corrections for flight altitude and flight 
			track closure errors (pre-GOS only). Subtraction of 3rd 
			order regional surface from corrected data set will give contour map 
			of the magnetic anomaly. An optimized borehole drilling and coring 
			program is derived from this map. (17) 
			
			
			 
			  
			
			 Contoured Aeromagnetic data (left), post-processed 3rd 
			order residual map of same dataset (right). 
			
			
			  
			
			
			Unsurprisingly, electromagnetic measurements can be complicated by 
			the IP effect.  This occurs where the earth is neither acting as a 
			resistive nor conductive body but instead acts as a capacitor.  In 
			cases where this is known to be a problem, the data can be inverted 
			using a special model which inverts not just for resistivity but 
			also for IP effects.  A description of this workflow can be found in 
			reference 15.   
			
			
			 
			Current trends in TEM involve complex forward modeling of massive 
			sulphides, with a focus on recognizing various possible morphologies.
			(18) 
			
			
			  
			
			
			
			  
			Model morphology of classic volcanic-associated massive 
			sulphide deposit with central mound and discordant feeder along a synvolcanic fault. 
			
			
			 
			
					
					
			 
					
			
			Radiometric Field Mapping and data processing 
			
			
			These surveys can be acquired by aircraft or on land surface. They 
			measure natural occurring radiation from potassium, thorium, and 
			uranium. Also known a gamma-ray spectrometry, their main purpose is 
			direct detection of uranium prospects.   
			 
			Thorium increases in felsic rocks, indicating alkalinity, which in 
			turn provides an indication of oxidation of sulphides, leading to 
			faster uranium mobilization.  Potassium alteration associated with 
			hydrothermal ore deposits can also be detected. Other uses include 
			heat flow studies and environmental mapping.   
			 
			Recorded data requires corrections for flight altitude and flight 
			track closure errors (pre-GPS only). Subtraction of 3rd 
			order regional surface from corrected data set will give contour map 
			of the radiometric anomaly.  It is interesting to note that combined 
			airborne magnetic and radiometric surveys, being the most 
			cost-effective geophysical survey method, have become a means to 
			“stimulating mineral exploration” worldwide.  (19) 
			
			
			  
			
			
			  
			
			
			
			  
			Ternary radioelement map showing abundance K (red), Th (green), U (blue).  B:  IHS composite image. 
			 
  
			
					
					
					 
					
			
			ElectromagNETIC Spectrum Remote Sensing 
			
			
			These surveys record infra-red (IR), visible, and ultra-violet (UV) 
			light emanating from the earth’s surface, usually acquired from air 
			photos or satellite images from instruments with appropriate filters 
			fit for the survey’s purpose.  Recent developments include surveying 
			via drone, which provides a compromise between ground-based soil and 
			rock sampling, and large-scale airborne surveys.  This is important, 
			given today’s eco-conscious attitude against mining.  Hyperspectral 
			(the continuous spectrum of reflected sunlight in the visible and 
			near infra-red regions) imaging is being used to map 
			rare-earth-element prone regions in Namibia.  (20) 
			
			
			 
			Results are 0ften used to locate anomalous vegetation which may 
			indicate minerals in soil, but also used to identify chemical 
			spills, tailings, pond leakage, other environmental damage, or to 
			demonstrate successful environmental restoration.  
			
			
			  
			
					
					
					 
					
			MINING GLOSSARY 
			
			
			Blast Holes result in a dry borehole.  
			Boreholes drilled in wet environment. 
			Critical Minerals Canada identifies 31 critical minerals as 
			those deemed essential for the sustainable economic success of 
			Canada.  These are for renewable energy, EV batteries and motors, 
			defense and security technologies, electronics and critical 
			infrastructures. Canada produces 21 of these minerals. 
			Gossan – the visible surface indication of an ore body – 
			consisting of weathered/decomposed rock.  Usually consisting of iron 
			oxides and quartz. 
			Ore - a naturally occurring mineral from which a valuable 
			constituent (commodity), such as metal, can be mined.  E.g., 
			chalcopyrite is the ore from which copper is mined. 
			Metallic minerals are classified in two broad groups: 
			Sulphides and Oxides. 
			Oxides include hematite, magnetite, ilmenite and chromite.  
			Iron from the first two minerals is the basis for steel 
			manufacturing.  Ilmenite is an accessory mineral found as 
			lattice-type intergrowths in igneous and metamorphic rock.  Together 
			with hematite and magnetite, these oxides are also known as emery 
			ores. Chromite is of the spinel group, found mainly in igneous 
			intrusive rock; sometimes metamorphic rocks, and forms lengthy 
			layered formations which may be several meters in thickness. 
			Chromite is mined to make stainless steel, through the production of 
			ferrochrome, an iron-chromium alloy. 
			Penalty elements:  waste elements which lower the grade of an 
			ore and could incur a smelter penalty e.g., sulfur, aluminum, 
			silicon, calcium, phosphorus. 
			Permissive Terranes:  an area that can contain a certain type 
			of mineral occurrence or ore deposit. 
			Rare Earth Elements (REE): are a group of 15 elements 
			referred to as the lanthanide series in the periodic table of 
			elements together with scandium and yttrium. The last two elements 
			exhibit similar properties to the lanthanides and are found in the 
			same ore bodies.   
			
			
			Reverse circulation percussion borehole: 
			depth capacity to 450m returns crushed sample. 
			
			
			Sulphides 
			are comprised of pyrite (associated with copper, lead, zinc 
			sulphides, gold and silver, chalcopyrite), pyrrhotite (gold - 
			Escanaba trough), chalcopyrite – (copper, nickel), sphalerite 
			(primary ore of zinc) and galena (most common lead mineral).  Nickel 
			and cobalt are extracted from sulphide ores. 
   |